Диф.автомат АД12 2Р 16А 10мА ТДМ SQ0204-0105

  • photo 3
  • photo 4
  • photo 5
  • photo 6
  • photo 7
  • photo 8
Диф. автомат АД12 2П 16А 10мА ТДМ
Производитель: ТДМ
Штрихкод: 4690259456923
Дифавтомат АД12 обеспечивает:
− повышение уровня безопасности при эксплуатации людьми бытовых и аналогичных электроприборов;
− автоматическое отключение электрической цепи при сверхтоках (перегрузке и коротких замыканиях);
− предотвращение пожаров из-за возгорания изоляции токоведущих частей электроприборов.
Номинальный ток срабатывания - 16А.
Ток утечки - 10мА.

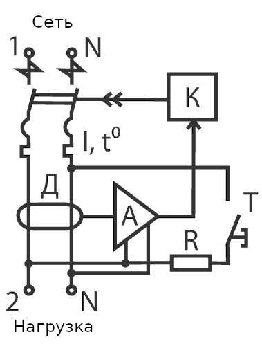
Внимание! Подключение проводников сети осуществляется к контактным зажимам 1 и N. Подключение нагрузки к контактным зажимам 2 и N. Несоблюдение подключения приведёт к повреждению автомата.
1 136.00 ₽
 шт

Технические характеристики

Номинальный ток16 А
Номинальное рабочее напряжение230 В
Номинальный ток утечки10 мА
Рабочая характеристикаАС
Характеристика срабатывания от сверхтоковC
Тип напряженияПеременный (АС)
Тип тока утечкиПеременный (АС)
Количество полюсов2
Ширина по количеству модульных расстояний3
Максимальное время отключения, не более40 мс
Присоединительная способность контактных зажимов1 … 35 мм²
Номин импульсное выдерживаемое напряжение4 кВ
Отключение нейтралиДа
Монтажная глубина - ниши75 мм
Наличие теплового расцепителяДа
Наличие электромагнитного расцепителяДа
Наличие электронного расцепителяНет
Наличие дифференциального расцепителяДа
Отключающая способность по EN 608984,5 кА
Возможность присоединения к контактным зажимам соединительных шинPIN (штырь)
FORK (вилка)
Степень защиты по ГОСТ 14254 (IEC 60529)IP20
Климатическое исполнение и категория размещения по ГОСТ 15150УХЛ4
Диапазон рабочих температур окружающего воздуха-25°C … +40°C

Габаритные размеры

Размеры двухполюсных выключателей ТДМ АД12

Схема подключения

Схема подключения двухполюсных выключателей ТДМ АД12

Сайт использует рекомендательные технологии и файлы cookie