Solid state relay SSR-25DA 25A 3-32VDC, load voltage 24-380VAC

  • Model:
    005.003.011
  • Copy
  • photo 3
  • photo 4
  • photo 5
  • photo 6
  • photo 7
  • photo 8
  • photo 9
Relay SSR-25DA
Manufacturer: Essima
Solid state relay SSR-25DA is used for non-contact commutation of power circuits of mechanisms such as heating elements, lighting devices and low power motors.
− Load current 25A
− Load voltage 24-380VAC
− Input voltage 3-32VDC
$6.57
Available: 1 pcs
 pcs

Specification

Load current25A
Load voltage24-380VAC
Input voltage3-32VDC
Dielectric strength2500VAC
Off leakage current≤5mA
On-Off time≤10ms
Insulation resistance≥50MOhm
Ambient temperature range-30°C…+75°C
IndicationLED for input signal control
Mountingby means of screws
Dimensions62.5х45х26 mm

Dimensions

Dimensions SSR-25DA

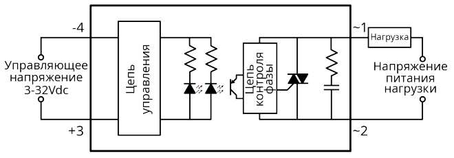
Wiring diagram

Wiring diagram SSR-25DA

Auxiliaries and accessories for SSR-25DA

background

 
 
background
RAD-RTP-25
 
 

Сайт использует рекомендательные технологии и файлы cookie