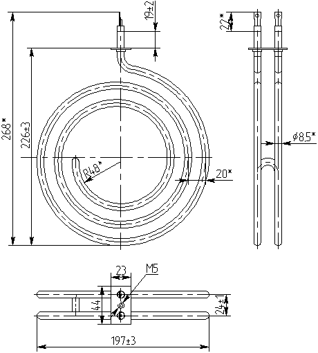
ТЭН 280 B 8,5/3,0 N220 спираль

  • photo 3
  • photo 4
  • photo 5
  • photo 6
  • photo 7
ТЭН 280 B 8,5/3,0 N220 спираль
Нагревательный элемент 280 B 8,5/3,0 N220 в форме спирали предназначен для установки в тепловые пушки.
− Диаметр трубки - Ø8,5 мм;
− Номинальная мощность ТЭН - 3кВт/220В.
− Материал - нержавеющая сталь.
900.00 ₽
Доступно: 1221 шт
 шт

Размеры

Габаритные размеры ТЭН 280 B 8,5/3,0 N220

Сайт использует рекомендательные технологии и файлы cookie