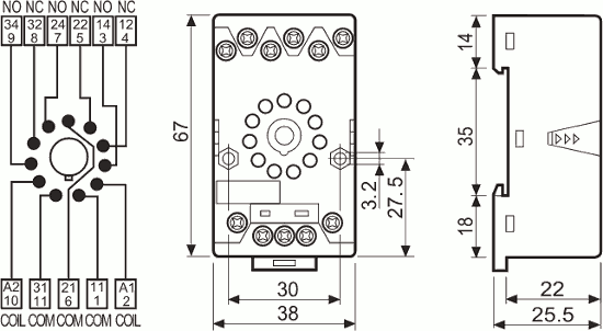
Розетка 90.21 SMA

Розетка 90.21 SMA
Производитель: Finder
Розетка SMA 90.21 синяя с винтовым зажимом (с зажимной клетью) для установки на поверхность или на 35 мм рейку.
В комплекте: металлическая клипса 090.33.
444.00 ₽
 шт

Технические параметры

Тип релеРеле Finder серии 60
Таймер Finder серии 88
Номинальная нагрузка10А/250В
Электрическая прочность⩾2.5кВ
Категория защитыIP 20
Диапазон рабочих температур-40°C…+70°C

Размеры

Сайт использует рекомендательные технологии и файлы cookie