Контроллер насосной станции МСК-108

Контроллер МСК-108

Страна производитель: Россия
Контроллер насосной станции МСК-108 предназначен для создания систем автоматизации технологических процессов, связанных с контролем и поддержанием заданного уровня жидких веществ в различного рода резервуарах путем управления электродвигателем (электродвигателями) одного или двух насосов.
•  Номинальный режим работы: Продолжительный.
•  Работа с двумя насосами: Да.
•  Режим работы: Наполнение/дренаж.
•  Защита от сухого хода: Да.
•  Тип датчика: Кондуктометрический.
7 144.00 ₽
 шт

Поддержание заданного уровня жидких веществ обеспечивается управлением:

•  при однофазном двигателе мощностью до 1 кВт – встроенным реле насоса;
•  при трехфазном двигателе или при однофазном двигателе мощностью более 1 кВт — управлением катушкой магнитного пускателя (контактора).

МСК-108 обеспечивает управление электродвигателем (электродвигателями) одного или двух насосов в автоматическом режиме по одному из встроенных в устройство алгоритмов.

МСК-108 обеспечивает работу с различными по электропроводности жидкостями – водопроводной или загрязненной водой, молоком и пищевыми продуктами (слабокислотными, щелочными и пр.)

Общие характеристики

Назначение устройстваАппаратура управления и распределения
Номинальный режим работыПродолжительный
Степень защиты изделияIP20
Класс защиты от поражения электрическим токомII
Климатическое исполнениеУХЛ3.1
Допустимая степень загрязненияII
Категория перенапряженияII
Номинальное напряжение изоляции, В450
Номинальное импульсное выдерживаемое напряжение, кВ2.5
Сечение проводов для подключения к клеммам, мм²0.5-2
Момент затяжки винтов клемм, Н*м0.4

Технические характеристики

Номинальное переменное однофазное напряжение питания, В220/230
Напряжение, при котором сохраняется работоспособность:
– минимальное, В
– максимальное, В

130
265
Частота сети, Гц48-62
Аналоговые входы:
– для подключения датчика уровня (давления), шт.
– общий для датчиков уровня (давления), шт.

4
1
Основные выходы:
– реле насоса – переключающий контакт для управления пускателем электродвигателя – 10 А 250 В при cos φ=1, шт.
– функциональное реле – замыкающий контакт – 10 А 250 В при cos φ=1, шт.

1
1
Сопротивление контролируемой среды для кондуктометрического датчика, не более, кОм450
Потребляемая мощность (под нагрузкой), не более, Вт3.3
Масса, не более, кг0.2
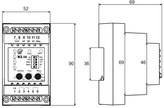
Габаритные размеры, мм90 х 52 х 69
Установка (монтаж) изделияDIN-рейка 35 мм
Изделие сохраняет свою работоспособность при любом положении в пространстве
Материал корпуса – самозатухающий пластик

Характеристика выходных контактов встроенных реле

   Режим    работыМакс. ток при U~250 В, АЧисло срабатываний х1000Максимальная коммутируемая мощность, ВАМакс. ток при Uпост = 30 В, А
cos φ = 0.4
cos φ = 1.0
5
10
50
100
40003

Размеры

Размеры контроллера насосной станции МСК-108

Сайт использует рекомендательные технологии и файлы cookie