Трехфазное реле напряжения и контроля фаз РНПП-311M

Реле напряжения РНПП-311М

Страна производитель: Россия
Реле напряжения РНПП-311М предназначено для защиты трехфазных потребителей от основных видов аварии в электрической сети, таких как:
  • выход действующего значения напряжения за пределы допустимых порогов;
  • нарушения последовательности и слипание фаз;
  • нарушения полнофазности и симметричности сетевого напряжения.
2 807.00 ₽
 шт
Устройство контролирует основные параметры электрической сети и при их отклонении отключает нагрузку.
Светодиоды на лицевой панели реле индицируют:
  • наличие напряжения в сети;
  • состояние нагрузки (включена или отключена);
  • вид возникшей аварии.
Регулировочные потенциометры позволяют пользователю установить:
  • порог минимально/максимально допустимого значения напряжения (в процентах от номинального напряжения);
  • задержку времени включения нагрузки после восстановления параметров сети;
  • время срабатывания отключения нагрузки при всех видах аварий сетевого напряжения.
С помощью переключателей на лицевой панели устройства пользователь может выбрать тип контролируемой сети 400/415В, а также включить или отключить контроль следующих параметров сети
  • последовательности и слипания фаз;
  • полнофазности и симметричности сетевого напряжения;
  • понижения напряжения;
  • повышения напряжения.
Соответствующие комбинации положения переключателей позволяют РНПП-311М работать в различных режимах:
  • режим полного контроля напряжения сети;
  • режим контроля минимального/максимального напряжения;
  • режим контроля минимального напряжения;
  • режим контроля максимального напряжения;
  • режим контроля наличия фаз;
  • режим контроля неправильной последовательности и наличия слипания фаз;
  • режим контроля перекоса фаз.
Контроль наличия фаз сохраняется при любом положении переключателей в том числе, когда они находятся в положении ВЫКЛ.
Предусмотрена возможность подключения оперативного питания 24 В (под заказ).

Технические характеристики

Номинальное линейное/фазное напряжение питания сети, В380/220,400/230
Частота сети, Гц45 –65
Гармонический состав (несинусоидальность) напряжения питанияГОСТ 32144-2013
Диапазон регулирования порога срабатывания по максимальному/минимальному напряжению питания, в процентах от номинального напряжения5–50
Диапазон регулирования времени срабатывания защиты, с0–10
Диапазон регулирования времени АПВ, с0-600
Фиксированная задержка срабатывания по минимальному напряжению, с12*
Время срабатывания при обрыве одной из фаз,с,не более0,2
Время АПВ, мин1−600
Задержка отключения, с1–300
Время готовности при подаче напряжения питания, с, не более0,2**
Величина определения перекоса фаз, В60
Гистерезис по напряжению, В5-6
Гистерезис по перекосу фаз, В5-6
Точность определения порога срабатывания по напряжению, В, не более3
Точность определения перекоса фаз,%, не более2
Напряжение, при котором сохраняется работоспособность:
- по одной фазе, В
- по трем фазам, В

140–450
95–450
Потребляемая мощность (под нагрузкой), Вт, не более1,2
Максимальный коммутируемый ток входных контактов,  А5
Фиксированное время срабатывания при снижении напряжения более 60В от
уставки по Umin или при снижении напряжения ниже 145В, с
0,12
Коммутационный ресурс выходных контактов:
- под нагрузкой 5А (cos φ = 1,0), раз, не менее
- под нагрузкой 1А (cos φ = 1,0), раз, не менее

100 тыс.
1 млн.
Назначение изделияаппаратура управления и распределения
Номинальный режим работыпродолжительный
Степень защиты лицевой панелиIP40
Степень защиты клеммникаIP20
Класс защиты от поражения электрическим токомII
Климатическое исполнениеУХЛ 3.1
Допустимая степень загрязненияII
Категория перенапряженияII
Номинальное напряжение  изоляции, В450
Номинальное импульсное выдерживаемое напряжение, кВ2,5
Сечение проводов для подключения к клеммам, мм²0,5 - 1,5
Момент затяжки винтов клемм, Н*м0,4
Материал корпусасамозатухающий пластик
Установка (монтаж) изделиястандартная DIN-рейка 35 мм

Габаритные размеры

Габаритные размеры реле РНПП-311М
1–входные контакты 380 B / 400B;
2 –переключатель напряжения контролируемой сети (380 В/ 400В);
3–переключатель срабатывания защиты по чередованию фаз (ЧФ)
(в положении «ВЫКЛ»–защита отключена);
4–переключатель срабатывания защиты по перекосу фаз (ПФ
(в положении«ВЫКЛ» –защита отключена);
5–переключатель срабатывания защиты по минимальному напряжению (Umin)
(в положении«ВЫКЛ» – защита отключена);
6–переключатель срабатывания защиты по максимальному напряжению (Umax)
(в положении«ВЫКЛ» – защита отключена);
7–индикаторы наличия напряжения на каждой из фаз (СЕТЬ);
8–индикатор аварии и выключенного состояния реле нагрузки (АВАРИЯ);
9–выходные контакты изделия;
10–регулятор установки времени срабатывания защиты (Тср(c));
11–регулятор установки времени АПВ (Tвкл(c));
12–регулятор установки порога срабатывания по максимальному/минимальному напряжению (Uном±%).

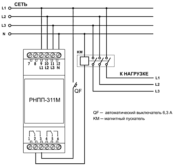
Схема подключения реле РНПП-311М

Схема подключения реле РНПП-311М

Сайт использует рекомендательные технологии и файлы cookie