Электронный переключатель фаз ПЭФ-320

Переключатель фаз ПЭФ-320

Страна производитель: Россия
Универсальный автоматический электронный переключатель фаз ПЭФ-320 предназначен для питания промышленной и бытовой однофазной нагрузки 230В/50Гц от трехфазной четырехпроводной сети 3х380+N с целью обеспечения бесперебойного питания особо ответственных однофазных потребителей и защиты их от недопустимых колебаний напряжения в сети.
•  Тип: Переключатель фаз.
•  Индикация: светодиоды.
•  Подключение пускателей: Нет.
•  Ток прямого включения : 16 А.
3 838.00 ₽
 шт

В зависимости от наличия и качества напряжения на фазах ПЭФ-320 автоматически производит выбор ближайшей по приоритету фазы в пределах установок, заданных Пользователем, и подключает к ней однофазную нагрузку. Возможно подключение к одной из фаз электрогенератора, инвертора.

Пороги минимального и максимального напряжения задаются Пользователем.

Технические характеристики

Номинальное фазное напряжение, В230
Напряжение, при котором сохраняется работоспособность по единственной фазе, В120
Частота сети, Гц45 - 55
Диапазон срабатывания по, Umin, В160 - 210
Диапазон срабатывания по, Umax, В230 - 280
Диапазон регулирования времени возврата на приоритетную фазу, с*5 - 200
Диапазон регулирования времени повторного включения, Твкл, с1 - 600
Фиксированная задержка переключения (отключения) по Umin, с12
Время переключения на резервные фазы, с, не более0.2
Гистерезис (коэффициент возврата) по напряжению, В5 - 6
Точность определения порога срабатывания, В±3
Максимальный коммутируемый ток (cos φ=1) выходных контактов, А16
Максимальный коммутируемый ток (cos φ=0,4) выходных контактов дополнительного реле, A5
Фазное напряжение, при котором сохраняется работоспособность прибора, В400
Кратковременно допустимое макс. фазное напряжение, при котором сохраняется работоспособность, В450
Потрeбляемая мощность (под нагрузкой), Вт, не более1.2
Степень защиты лицевой панелиIP40
Степень защиты клеммникаIP20
Климатическое исполнениеУХЛ 3.1
Класс защиты от поражения электрическим токомII
Степень загрязненияII
Категория перенапряженияII
Назначение изделияАппаратура управления и распределения
Тип конструкции (монтажа)на стандартную DIN-рейку 35 мм
Сечение проводов для подключения к клеммам, мм²0.5 – 1.5
Момент затяжки винтов клемм, Н*м0.4
Коммутационный ресурс выходных контактов:
- под нагрузкой 16 А (активный ток), раз, не менее
- под нагрузкой 5 А, раз, не менее

50 000
100 000
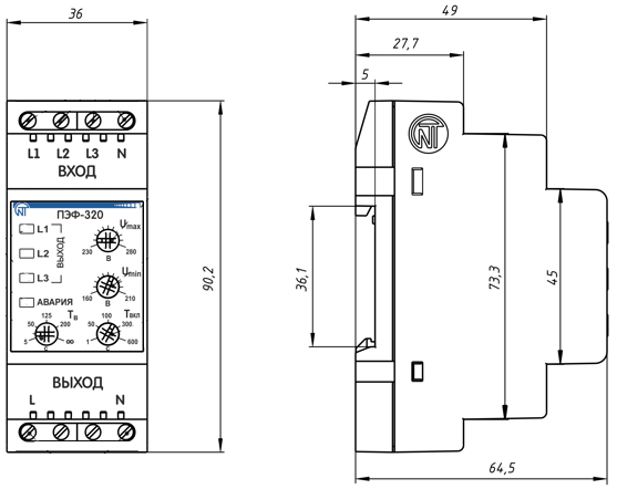
Габаритные размеры, мм90.2 × 36 × 64.5
Масса, кг, не более0.15
Изделие сохраняет свою работоспособность при любом положении в пространстве
Материал корпуса – самозатухающий пластик
* – При нахождении регулятора Тв в положении "∞" возврат на приоритетную фазу отсутствует

Размеры

Размеры электронного переключателя фаз ПЭФ-320

Сайт использует рекомендательные технологии и файлы cookie