Реле защиты ТР220

Реле защиты ТР220

Страна производитель: Россия
Реле ТР220 защищает обмотки трехфазного асинхронного двигателя от перегрева. Применяется для электродвигателей с биметаллическими и термисторными (позисторными) термоконтактами. Если температура обмоток двигателя превышает допустимую, то сигнал с термоконтакта двигателя поступает на защитное реле, которое отключает питание с катушки электромагнитного контактора. При этом реле ТР220 может включить резервный вентилятор или отправить сигнал о срабатывании защиты на пульт оператора.
Рекомендуется установка в вентиляционных системах, где скорость вращения двигателя изменяется при помощи частотного регулятора.
5 130.00 ₽
 шт
ТР220 обеспечит тепловую защиту трехфазного двигателя вентилятора или насоса в следующих случаях:
  • перегрузка по току двигателя вентилятора, при неправильном расчете параметров системы вентиляции (особенно важно для радиальных вентиляторов);
  • обрыв, замыкание обмоток или перекос фаз питания двигателя;
  • заклинивание вала двигателя при попадании внутрь инородного тела;
  • нарушение охлаждения двигателя;
  • эксплуатация двигателя в помещениях с высокой температурой.

Технические параметры

Напряжение питания~ 220 В ± 15%
Сопротивление позисторных термоконтактов в режиме «Работа»от 36 до 3600 Ом
Время срабатывания защитыменее 1 cек
Диапазон рабочих температурот 0 до +40°C
Степень защитыIP20
Габаритные размеры36х92х58 мм
Вес0,2 кг
Присоединениечерез зажимы для гибких проводов сечением до 2,5 мм²
Усилие затяжки0,3 Н*м
КонтактыNO + NC
Максимальный ток переключения8 A при ~220В
Электрическая износостойкостьне менее 100000 циклов

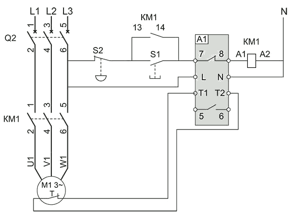
Подключение

Подключение реле защиты ТР220

Сайт использует рекомендательные технологии и файлы cookie