Твердотельное реле SSR-60AA 60А 80-250В AC нагрузка 24-380В АС

  • photo 3
  • photo 4
  • photo 5
  • photo 6
  • photo 7
  • photo 8
Реле SSR-60AA
Производитель: Essima
Твердотельное реле SSR-60AA - полупроводниковое устройство для бесконтактной коммутации силовых цепей исполнительных механизмов. Предназначено для проектов, где требуется коммутация переменного тока от 24 до 380 Вольт с силой тока до 60 Ампер.
Применение радиаторов обязательно если ток в силовой цепи реле 5 или более ампер. В противном случае возможен выход из строя реле в результате перегрева.
− Ток нагрузки 60А
− Входное напряжение 80…250В AC
− Коммутируемое напряжение 24…380В AC
703.00 ₽
 шт

Характеристики

Ток нагрузки60А
Коммутируемое напряжение24-380В AC
Входное напряжение80-250В AC
Электрическая прочность2500В AC
Управляющий ток≤ 15мА
Ток утечки в выключенном состоянии≤5мА
Время включения/выключения≤10мс
Сопротивление изоляции≥50МОм
Рабочая температура-30°C…+75°C
Температура хранения-40°C…+80°C
Степень защиты по ГОСТ 14254­96IP40
Климатическое исполнение и категория размещения по ГОСТ 15150­69УХЛ4
Индикациясветодиод для контроля наличия входного сигнала
Тип монтажакрепление винтами на плоскость
Габаритные размеры62.5х45х26 мм

Размеры реле

Размеры реле SSR-60AA

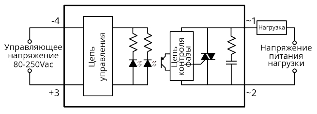
Схема подключения

Схема подключения реле SSR-60AA

Расшифровка маркировки твердотельных реле SSR на примере модели SSR-25-AA-H

  • SSR – серия реле;
  • 25 – номинальный ток нагрузки, А;
  • AA-H – исполнение (управляющий сигнал / напряжение питания нагрузки):
           AA     - 80-250 VAC / 24-380 VAC;
           AA-H - 80-250 VAC / 90-480 VAC;
           DA     - 3-32 VDC / 24-380 VAC;
           DA-H - 3-32 VDC / 90-480 VAC;
           DD     - 3-32 VDC / 5-60 VDC;
           DD-H - 3-32 VDC / 5-220 VDC;
           VA     - 470 kOм / 24-380 VAC.

Вспомогательные элементы и аксессуары для SSR-60AA

background

 
 

Сайт использует рекомендательные технологии и файлы cookie