Электронный регулируемый гигростат MTM-610

Гигростат регулируемый MTM-610
Производитель: Silart
Регулируемый гигростат MTM-610 с диапазоном регулирования 30-90%. Используется для регулировки относительной влажности в терминалах самообслуживания, банкоматах и других устройствах внешнего монтажа с целью защиты от влаги и обмерзания.
Материал корпуса - поликарбонат UL94 V-2.
Гигростат монтируется на 35мм DIN рейку защелкиванием.

Технические параметры

Тип контактапереключающий
Диапазон управления влажностью30…90%
Гистерезис~5%
Погрешность±5%
Рабочее напряжение24 В пост тока
Рабочие параметры окружающей среды0…+70°С, макс. 95% влажность
Максимальный ток нагрузки16А
Минимальный интервал между срабатываниями2…3 мин
Тип подключениявинтовые клеммы 0,5-2,5мм2
макс. момент затяжки 0,5Н·м
Температура хранения-25…+70°С
Степень защитыIP20
Габаритные размеры ВxШxГ60х39х53,3 мм
Материал корпусаСоответствует UL94 V-2

Размеры

Размеры гигростата MTM-610

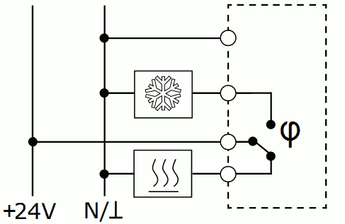
Электрическая схема

Схема подключения

Сайт использует рекомендательные технологии и файлы cookie