Нагреватель конвекционный с вентилятором NETTLE VM 70-1-160-220-75-12

Нагреватель с вентилятором NETTLE VM 70-1-160-220-75-12
Производитель: Rosker
Родина бренда: Россия
Конвекционно-приточный нагреватель с вентилятором NETTLE VM 70-1-160-220-75-12 для установки в шкафы с электротехническим оборудованием. Предотвращает выпадение конденсата, поддерживает положительную температуру, обладает функцией саморегулирования. Для точной установки температуры используется внешний термостат. Сохраняет функции нагрева при выключенном вентиляторе в режиме конвекции. Устанавливается на 35мм DIN рейку, либо на любую поверхность электрошкафа при помощи дополнительных элементов крепежа.
− Мощность - 160Вт.
− Напряжение нагревателя 220В AC/DC, вентилятора 12В DC.
− Подключение - провод.
5 120.00 ₽
 шт

Технические характеристики

Вид нагревателяконвекционный с дополнительным вентилятором
Номинальная мощность160 Вт (65 Вт при выключенном вентиляторе)
Номинальное напряжение220В AC/DC
Диапазон рабочих напряжений110-250В AC/DC
Температура поверхности75 °С
Номинальный ток0.73 А
Максимальный пусковой ток2.46 А
Напряжение питания вентилятора12 В
Габариты вентилятора40 х 40 х 20 мм
Производительность вентилятора14…16 м³/ч
Нагревательный элементпозистор (PTC) - саморегулирующийся, с ограничением температуры
Радиаторэкструдированный алюминиевый профиль
Креплениезажим для шины 35мм, согл. DIN EN50022
Монтажвертикальный
Степень защиты по ГОСТ 14254-2015IP20
Класс защиты от поражения электрическим током по ГОСТ 12.2.007.0-75I
Подключениепровод
Длина провода0.3 м
Сечение провода0.75 мм²
Высота оребрения (L)70 мм
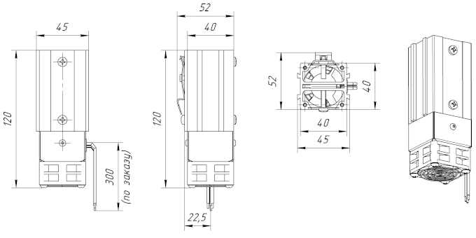
Габаритные размеры (ШхГхВ)45 х 40 х 120 мм
Масса нагревателя0.23 кг
Габаритный размер упаковки130 х 60 х 60 мм

Размеры

Размеры нагревателя NETTLE VM 70-1-160-220-75-12

Схема подключения

Схема подключения

Номенклатура конвекционных нагревателей с вентилятором серии NETTLE VM-1

Модель Мощность, Вт Температура поверхности, °C Высота нагревательного модуля, мм Габаритные размеры, мм Вес, кг
NETTLE VM 70-1-110-220-60-12 110 60 70 45 х 40 х 120 0.21
NETTLE VM 70-1-140-220-70-12 140 70 70 45 х 40 х 120 0.22
NETTLE VM 70-1-160-220-75-12 160 75 70 45 х 40 х 120 0.23
NETTLE VM 140-1-180-220-70-12 180 70 140 45 х 40 х 190 0.41
NETTLE VM 140-1-210-220-90-12 210 90 140 45 х 40 х 190 0.42
NETTLE VM 140-1-240-220-110-12 240 110 140 45 х 40 х 190 0.43
NETTLE VM 140-1-270-220-125-12 270 125 140 45 х 40 х 190 0.44

Маркировка нагревателей конвекционных с вентилятором серии NETTLE VM-1

NETTLE  VM 70  —  1  —  110  —  220  —  60  —  12   
Код вентилятора
12 - напряжение питания =12В, габариты вентилятора 40х40х20 мм, производительность 14…16 м³/ч
Температура поверхности, °С
Напряжение питания нагревателя, В
Мощность нагревателя, Вт
Количество нагревательных модулей
Высота нагревательного модуля
 70 мм
 140 мм
Серия

Сайт использует рекомендательные технологии и файлы cookie