Нагреватель компактный НКВ 15-24-240-215

Нагреватель компактный НКВ 15-24-240-215
Производитель: Rosker
Родина бренда: Россия
Ультракомпактный нагреватель НКВ 15-24-240-215 передаёт тепло непосредственно на поверхность объекта или материала. Эффект самоограничения температуры делает нагреватель пожаробезопасным. Поверхности с открытыми частями под напряжением отсутствуют. Расчитан на длительный период работы. Применяется в различных приборах промышленного и бытового назначения.
− Мощность - 15 Вт.
− Напряжение питания 24В DC.
− Подключение - провод.
1 120.00 ₽
 шт

Технические характеристики

Вид нагревателяконтактный позисторный нагреватель
Номинальная мощность15 Вт
Номинальное напряжение24В DC
Диапазон рабочих напряжений24-48В DC
Температура поверхности215 °С
Номинальный ток0.68 А
Максимальный пусковой ток0.70 А
Нагревательный элементпозистор (PTC) - саморегулирующийся, с ограничением температуры
Радиаторэкструдированный алюминиевый профиль
Креплениерезьбовое соединение
Монтажное положениелюбое
Степень защиты по ГОСТ 14254-2015IP20
Класс защиты от поражения электрическим током по ГОСТ 12.2.007.0-75I
Подключениепровод
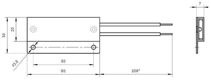
Длина провода0.2 м
Сечение провода0.75 мм²
Толщина нагревателя7 мм
Габаритные размеры (ГхШхВ)30 х 60 х 7 мм
Масса нагревателя0.025 кг
Габаритный размер упаковки130 х 60 х 60 мм

Размеры

Размеры нагревателя НКВ 15-24-240-215

Номенклатура компактных нагревателей серии НКВ

Модель Мощность, Вт Температура поверхности, °C Напряжение питания Габаритные размеры, мм Вес, кг
НКВ 5-220-240-95 5 95 220В AC 30 х 60 х 7 0.025
НКВ 10-220-180-160 10 160 220В AC 30 х 60 х 7 0.025
НКВ 15-220-240-195 15 195 220В AC 30 х 60 х 7 0.025
НКВ 10-12-240-210 10 210 12В DC 30 х 60 х 7 0.025
НКВ 15-24-240-215 15 215 24В DC 30 х 60 х 7 0.025

Маркировка компактных нагревателей серии НКВ

НКВ 15  —  24  —  240  —  215   
Температура поверхности, °С
Температура элемента, °С
Напряжение питания нагревателя, В
Мощность нагревателя, Вт
Серия

Сайт использует рекомендательные технологии и файлы cookie