Термостат HY-TC6031 1CO 0...+60°C

  • photo 3
  • photo 4
  • photo 5
  • photo 6
  • photo 7
  • photo 8
  • photo 9
Термостат HY-TC6031
Термостат регулируемый HY-TC6031 предназначен для создания и поддержания необходимых температурных режимов внутри электротехнических и телекоммуникационных шкафов, обеспечивая безопасность их эксплуатации.
Переключающий контакт (1CO) используется для управления нагревателями и системами охлаждения (вентиляторами, устройствами охлаждения) или для включения сигнальных датчиков при превышении температуры.
Монтаж осуществляется на 35мм DIN-рейку.
510.00 ₽
Доступно: 49 шт
 шт

Технические характеристики

Диапазон регулирования0...+60°C
Контактпереключающий контакт (1CO)
Макс. коммутационная способностьAC: 10(2)А 250В~
DC: 30Вт (при 24В-72В)
Гистерезис7±4К
Тип термостатамеханический
Скорость изменения температуры≤ 1K/мин
Степень защиты по ГОСТ 14254-96IP20
Монтаж35 мм DIN-рейка
Подключение2-х полюсный зажим, момент затяжки винтов зажима 0.5 Н·м:
одножильный провод - 1х2.5мм²;
многожильный провод с обжимным наконечником - 1х1.5мм²
Температура эксплуатации-40°С ... +80°С
Монтажное положениевертикальное или горизонтальное
Срок службы> 100000 циклов

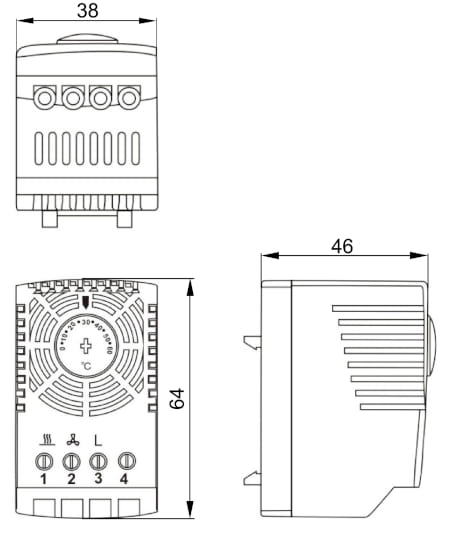
Габаритные размеры

Размеры термостата HY-TC6031

Схема подключения

Схема подключения термостата HY-TC6031

Подключение термостата к нагревателю

Подключение термостата к нагревателю

Подключение термостата к вентилятору

Подключение термостата к вентилятору

Подключение термостата к нагревателю и вентилятору

Подключение термостата к нагревателю и вентилятору

Сайт использует рекомендательные технологии и файлы cookie