Крышный вентилятор SILART GRM-220-01

Крышный вентилятор GRM-220-01
Производитель: Silart
Крышный вентилятор GRM-220-01 предназначен для снижения температуры внутри устройств путем создания принудительного воздухообмена с внешней средой.
− Напряжение питания 230В AC.
− Воздухопоток 545 м³/ч.
− Монтажный вырез 232х232 мм.
− Степень защиты IP44.
− Класс фильтрации G3.
24 391.00 ₽
 шт
Крышные вентиляторы SILART монтируются на крышу шкафа и служат для эффективного отвода тепла из его верхней части. Прецизионное исполнение конструкции крышного вентилятора позволяет исключить нежелательные паразитные воздушные потоки и утечки и обеспечивает максимальную эффективность охлаждения. Нанесение пенополиуретанового уплотнителя по технологии гаскетинг обеспечивает герметичное прилегание вентилятора к корпусу охлаждаемого оборудования.
Повышенная надежность обеспечивается исполнением ключевых силовых элементов конструкции из высококачественной оцинкованной стали 1.5 мм.

Характеристики товара

Потребляемая мощность, Вт90
Воздушный поток, м³/ч545
Класс очистки воздухаG3
Скорость вращения, об/мин2500
Рабочее напряжение, В230 AC
Электрическое подключениеПВС 3х1; 3м
Рабочая температура, °C-10 … +65
Материал корпусасталь
Покрытие корпусапорошковая краска
Уровень шума, дБ65
Габаритные размеры (ШхГхВ), мм355 х 355 х 137
Размер монтажного выреза, мм232 х 232
Степень защиты вентилятора / шкафаIP44 / IP54
Срок службы50 000 ч
Вес6.7 кг

Размеры

Размеры вентилятора GRM

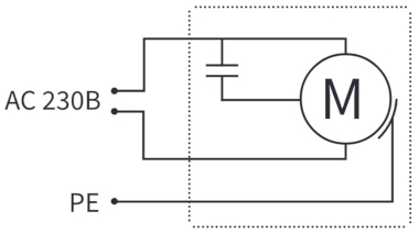
Схема подключения

Схема подключения

Номенклатура крышных вентиляторов SILART серии GRM

Модель Воздушный поток, м³/час Напряжение Внешние размеры (ШГВ), мм Монтажный вырез, мм Класс фильтрации
GRM-190-00 495 230В AC 355 х 355 х 137 232 x 232
GRM-190-01 345 230В AC 355 х 355 х 137 232 x 232 G3
GRM-220-00 780 230В AC 355 х 355 х 137 232 x 232
GRM-220-01 545 230В AC 355 х 355 х 137 232 x 232 G3
GRM-222-00 1104 24В DC 355 х 355 х 137 232 x 232
GRM-222-01 788 24В DC 355 х 355 х 137 232 x 232 G3
GRM-250-00 1220 230В AC 440 х 440 х 180 280 x 280
GRM-250-01 850 230В AC 440 х 440 х 180 280 x 280 G3
GRM-280-00 1781 230В AC 440 х 440 х 180 280 x 280
GRM-280-01 1400 230В AC 440 х 440 х 180 280 x 280 G3

Сайт использует рекомендательные технологии и файлы cookie