ADL16-001

Изолятор SM-25-6
Производитель: Andeli
Изоляторы шинные SM-25-6 служат для крепления токоведущих шин внутри силовых шкафов и сборок с целью фиксации и изоляции токоведущих частей от корпуса и панелей сборки, с последующим подключением силовых проводников для распределения электроэнергии внутри щита.
Изолятор крепится с одной стороны с помощью болта к монтажной пластине или корпусу, с другой стороны к изолятору крепится токоведущая шина. Каждая шина устанавливается минимум на двух изоляторах (на концах шины), а так же возможна установка промежуточных изоляторов (в зависимости от схемы монтажа и длины шины).
62.00 ₽
 шт

Технические параметры

Тип изделияИзолятор
Количество полюсов1
Высота25 мм
Метрический размер резьбыM6
Номинальное рабочее напряжение, не более1000 В
Выдерживаемое напряжение грозового импульса, не более6 кВ
Температура эксплуатации-40°C…+60°C

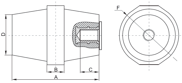
Габаритные и установочные размеры

Размеры изоляторов SM
Модель изолятора A B C D F
Изолятор SM-25-6 25 9 9 23 29
Изолятор SM-30-6 30 10 10 26 32
Изолятор SM-30-8 30 10 10 26 32
Изолятор SM-35-8 35 10 12 28 32
Изолятор SM-40-8 40 12 12 34 40
Изолятор SM-51-8 51 13 12 29 36
Изолятор SM-76-10## 76 17 14 35 50

Сайт использует рекомендательные технологии и файлы cookie