Термостат WYF80A диапазон регулирования +20°C...+80°C, 16A/250В АС

  • photo 3
  • photo 4
Термостат WYF80A
Термостат WYF80A предназначен для поддержания заданной температуры в контролируемом устройстве или его частях путем автоматического размыкания или замыкания электрической цепи.
Область применения: тепловентиляторы, водонагревательное и отопительное оборудование, жарочные шкафы, тепловые завесы, газовые плиты с электрическим жарочным шкафом, системы кондиционирования, стиральные машины и т.п.

Основные технические параметры

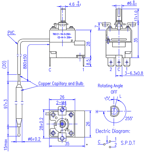
Макс. напряжение250VAC
Макс. ток - контакт С-116(3)А
Макс. ток - контакт С-26(1)А
Срок службыболее 100 000 циклов
Температурный диапазон регулир.20°C÷80°C
Длина капилляра880 мм
PVC изоляция капилляраЕсть
Высота рег.оси, мм17 мм
Тип контактаS.P.D.T (см. схему ниже*)

Размеры

Сайт использует рекомендательные технологии и файлы cookie