Термостат трехполюсный WZA-3E300 16A/380В АС +50°C...+300°C

Термостат WZA-3E300
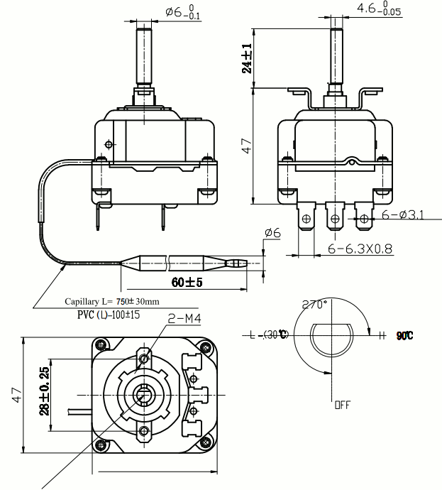
Капиллярные термостаты WZA-3E/300 предназначены для поддержания заданной температуры в контролируемом устройстве или его частях путем автоматического размыкания или замыкания электрической цепи.
Основная область применения: отопительные котлы.
800.00 ₽
Доступно: 78 шт
 шт

Основные характеристики

 Коммутируемое напряжение380V AC
 Коммутируемый ток16A
Диапазон регулирования50-300°C
Число срабатываний>100.000циклов
Сопротивлени изоляции>100 mΩ 
Cопротивление контакта 50 mΩ>
 
Диэлектрическая прочностьAC 2000 0.5mA/min.
Скорость изменения температуры<1°C/мин
 Допустимая темп. вокруг терморегулятораТ125°C
Погрешность измерения±5
 
 Длина капилляра (мм)750
 
Эл.схемаT.P.S.T
Длина баллона (мм,)110±5

Термостат WZA-3E300

Сайт использует рекомендательные технологии и файлы cookie