Вентилятор центробежный DG140A-A092A2-01 для вытяжек

  • photo 3
  • photo 4
  • photo 5
  • photo 6
  • photo 7
Вентилятор DG140A-A092A2-01 для вытяжек

Страна производитель: Китай
Центробежный вентилятор серии DG140 представляет собой вентилятор с рабочим колесом с вперед загнутыми лопатками, посредством которого создается воздушный поток. Применяется в качестве вентиляторного узла в нагнетательных вентиляторах, воздуходувках, в системах подачи воздуха для вентиляции и охлаждения требуемых объектов, может использоваться в кухонных вытяжках.

Технические характеристики

МодельDG140A-A092A2-01
Тип вентиляторацентробежный вентилятор в металлическом корпусе с односторонним всасыванием
Тип двигателядвигатель переменного тока с внешним ротором и конденсатором
Диаметр рабочего колеса140 x 60 мм
Рабочее напряжение230В~ 50Гц
Входная мощность55±5% Вт
Скорость без нагрузки1350±7% об/мин
Номинальная производительность260±7% м³/ч
Уровень шума55±2 дБ(А)
Сопротивление изоляции>50 MΩ
Класс изоляцииF
Класс балансировкисоответсвует G4.0
Режим работынепрерывная работа S1
Степень защитыIP42
Температура эксплуатации-40°C…+60°C при влажности до 85%
Температура хранения-40°C…+60°C при влажности до 95%
Срок службы> 20000 часов

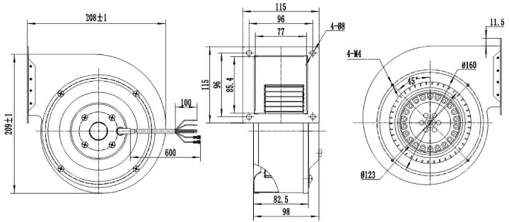
Габаритные размеры

Размеры вентилятора DG140A-A092A2-01

Схема подключения

Схема подключения вентилятора DG140A-A092A2-01

Кривая воздушного потока

Кривая воздушного потока вентилятора DG140A-A092A2-01
СкоростиНапряжение, В 50ГцПотребляемая мощность, ВтТок, AСкорость, об/минВоздушный поток, м³/ч
H (высокая)230540.231300255
M (средняя)230360.19950185
L (низкая)230320.17750150

Сайт использует рекомендательные технологии и файлы cookie