RXZE2S114M колодка с раздельными контактами 4CO 27MM

RXZE2S114M колодка с раздельными контактами
Производитель: Schneider Electric
Штрихкод: 3389119404280
Колодка RXZE2S114M с раздельным расположением клеммных зажимов подходит для установки реле RXM4AB2P7.
− Условный тепловой ток на открытом воздухе 5А, с шинной перемычкой-10А;
− Установка на DIN рейку или крепление винтами на панель;

Характеристики

Назначение Реле, вставляемое в штепсельную колодку RXM (4 переключающ.)
Реле, вставляемое в штепсельную колодку REXL (4 переключающ.)
Расположение контактов отдельное
Условный тепловой ток на открытом воздухе 5 А
с шинной перемычкой 10 А
Номинальное рабочее напряжение < 250В
Монтаж винтами М3 на панель (через крепежные отверстия)
установка на 35мм DIN рейку
Момент затяжки винтов ≤ 1 Н·м
Присоединение проводников гибкий кабель с кабельным наконечником 1 x 0,25…1 x 2,5 мм² / AWG 22…AWG 14
гибкий кабель с кабельным наконечником 2 x 0,25…2 x 1 мм² / AWG 22…AWG 17
жесткий кабель кабель без наконечника 1 x 0,5…1 x 2,5 мм² / AWG 20…AWG 14
жесткий кабель кабель без наконечника 2 x 0,5…2 x 1,5 мм² / AWG 20…AWG 16
Температура эксплуатации -40°C…+55°C
Температура хранения -40°C…+85°C
Степень защиты согласно МЭК/EN 60529 IP20
Электрическая прочность изоляции 2500В

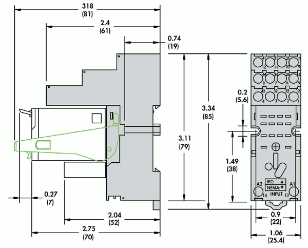
Размеры

Размеры колодки RXZE2S114M

Сайт использует рекомендательные технологии и файлы cookie