Электронный переключатель фаз ПЭФ-301

Переключатель фаз ПЭФ-301

Страна производитель: Россия
Универсальный автоматический электронный переключатель фаз ПЭФ-301 предназначен для питания промышленной и бытовой однофазной нагрузки 220В/50Гц от трехфазной четырехпроводной сети 3х380+N с целью обеспечения бесперебойного питания особо ответственных однофазных потребителей и защиты их от недопустимых колебаний напряжения в сети.
•  Тип: Переключатель фаз.
•  Индикация: светодиоды.
•  Подключение пускателей: Да.
•  Ток прямого включения: 16 А.
3 785.00 ₽
 шт

В зависимости от наличия и качества напряжения на фазах ПЭФ-301 автоматически производит выбор наиболее благоприятной фазы и запитывает от нее однофазную нагрузку любой мощности:

•  При мощности до 3.5кВт (16А), нагрузка питается непосредственно от ПЭФ-301;
•  При мощности, превышающей 3.5кВт (16А), переключатель фаз ПЭФ-301 управляет катушками магнитных пускателей (МП) соответствующей мощности (МП в комплект не входят).

Технические характеристики

Номинальное фазное напряжение, В220
Частота сети, Гц45 - 55
Диапазон срабатывания по, Umin, В160 - 210
Диапазон срабатывания по, Umax, В230 - 280
Наличие возврата на приоритетную фазу в диапазоне Т В (5 –200), сесть
Наличие возврата на приоритетную фазу в диапазоне Т В (200 –∞), снет
Диапазон регулирования времени повторного включения, Твкл, с1 - 600
Фиксированная задержка переключения (отключения) по Umin, с12
Время переключения на резервные фазы, с, не более0.2
Гистерезис (коэффициент возврата) по напряжению, В5 - 7
Точность определения порога срабатывания, В±3
Макс. коммутируемый ток (активный) выходных контактов, А, не менее16
Фазное напряжение, при котором сохраняется работоспособность прибора, В400
Кратковременно допустимое макс. фазное напряжение, при котором сохраняется работоспособность, В450
Потрeбляемая мощность (под нагрузкой), ВА, не более1.0
Коммутационный ресурс выходных контактов:
- под нагрузкой 16 А (активный ток), раз, не менее
- под нагрузкой 5 А, раз, не менее

100 000
1 млн.
Степень защиты:
- прибора
- клеммника

IP40
IP20
Климатическое исполнениеУХЛ4
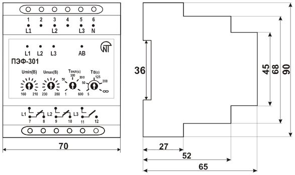
Габаритные размеры, мм90 х 70 х 65
Масса, кг, не более0.2
Диапазон рабочих температур, °Сот -35 до +55
Температура хранения, °Сот -45 до +70
Монтажна стандартную DIN-рейку 35 мм
Положение в пространствепроизвольное

Размеры

Размеры электронного переключателя фаз ПЭФ-301

Аналогичные товары или товары на замену PEF-301

background
ПФ-01
 
 

Сайт использует рекомендательные технологии и файлы cookie