Твердотельное реле SSR-10VA 10А 470kOm 24-380В АС

  • photo 3
  • photo 4
  • photo 5
  • photo 6
  • photo 7
  • photo 8
Реле SSR-10VA
Производитель: Essima
Реле твердотельное SSR-10VA - полупроводниковое устройство для бесконтактной коммутации силовых цепей исполнительных механизмов. Предназначено для проектов, где требуется коммутация переменного тока от 24 до 380 Вольт с силой тока до 10 Ампер.
Применение радиаторов обязательно если ток в силовой цепи реле 5 или более ампер. В противном случае возможен выход из строя реле в результате перегрева.
− Ток нагрузки до 10А
− Управление переменным резистором 470кОм 2 Вт
− Коммутируемое напряжение 24…380В AC
387.00 ₽
Доступно: 81 шт
 шт

Характеристики

Ток нагрузки10А
Коммутируемое напряжение24-380В AC
Управление470 кОм  2 Вт
Электрическая прочность2500В AC
Управляющий ток≤ 15мА
Ток утечки в выключенном состоянии≤5мА
Время включения/выключения≤10мс
Сопротивление изоляции≥50МОм
Рабочая температура-30°C…+75°C
Температура хранения-40°C…+80°C
Степень защиты по ГОСТ 14254­96IP40
Климатическое исполнение и категория размещения по ГОСТ 15150­69УХЛ4
Индикациясветодиод для контроля наличия входного сигнала
Тип монтажакрепление винтами на плоскость
Габаритные размеры58х45х31 мм

Размеры реле

Размеры реле SSR-10VA

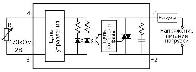
Схема подключения

Схема подключения реле SSR-10VA

Расшифровка маркировки твердотельных реле SSR на примере модели SSR-25-AA-H

  • SSR – серия реле;
  • 25 – номинальный ток нагрузки, А;
  • AA-H – исполнение (управляющий сигнал / напряжение питания нагрузки):
           AA     - 80-250 VAC / 24-380 VAC;
           AA-H - 80-250 VAC / 90-480 VAC;
           DA     - 3-32 VDC / 24-380 VAC;
           DA-H - 3-32 VDC / 90-480 VAC;
           DD     - 3-32 VDC / 5-60 VDC;
           DD-H - 3-32 VDC / 5-220 VDC;
           VA     - 470 kOм / 24-380 VAC.

Сайт использует рекомендательные технологии и файлы cookie