Нагреватель шкафа конвекционный NETTLE 70-1-30-220-125

Нагреватель конвекционный NETTLE 70-1-30-220-125
Производитель: Rosker
Родина бренда: Россия
Конвекционный нагреватель NETTLE 70-1-30-220-125 компактных размеров для установки в шкафы с электротехническим оборудованием. Предотвращает выпадение конденсата, поддерживает положительную температуру, обладает функцией саморегулирования. Для точной установки температуры используется внешний термостат. Устанавливается на 35мм DIN рейку, либо на любую поверхность электрошкафа при помощи дополнительных элементов крепежа.
− Мощность - 30Вт.
− Напряжение питания 220В AC/DC.
− Подключение - провод.
1 200.00 ₽
 шт

Технические характеристики

Вид нагревателяконвекционный
Номинальная мощность30 Вт
Номинальное напряжение220В AC/DC
Диапазон рабочих напряжений110-250В AC/DC
Температура поверхности125 °С
Номинальный ток0.14 А
Максимальный пусковой ток0.45 А
Нагревательный элементпозистор (PTC) - саморегулирующийся, с ограничением температуры
Радиаторэкструдированный алюминиевый профиль
Креплениезажим для шины 35мм, согл. DIN EN50022
Монтажвертикальный
Степень защиты по ГОСТ 14254-2015IP20
Класс защиты от поражения электрическим током по ГОСТ 12.2.007.0-75I
Подключениепровод
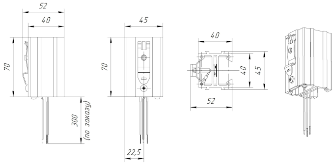
Длина провода0.3 м (по заказу может быть любой)
Сечение провода0.75 мм²
Высота оребрения (L)70 мм
Габаритные размеры (ШхГхВ)45 х 40 х 70 мм
Масса0.18 кг
Габаритный размер упаковки130 х 60 х 60 мм

Размеры

Размеры нагревателя NETTLE 70-1-30-220-125

Схема подключения

Схема подключения

Номенклатура конвекционных нагревателей серии NETTLE

Модель Мощность, Вт Температура поверхности, °C Высота нагревательного модуля, мм Габаритные размеры, мм Вес, кг
NETTLE 70-1-30-220-125 30 125 70 45 х 40 х 70 0.18
NETTLE 70-1-45-220-160 45 160 70 45 х 40 х 70 0.18
NETTLE 70-1-60-220-180 60 180 70 45 х 40 х 70 0.18
NETTLE 140-1-70-220-185 70 185 140 45 х 40 х 140 0.4
NETTLE 140-1-90-220-195 90 195 140 45 х 40 х 140 0.4
NETTLE 140-1-110-220-210 110 210 140 45 х 40 х 140 0.4

Маркировка нагревателей конвекционных серии NETTLE

NETTLE 70  —  1  —  30  —  220  —  125   
Температура поверхности, °С
Напряжение питания нагревателя, В
Мощность нагревателя, Вт
Количество нагревательных модулей
Высота нагревательного модуля
 70 мм
 140 мм
Серия

Сайт использует рекомендательные технологии и файлы cookie