Вентилятор центробежный D3G146-HQ13-62 для вытяжек

Вентилятор D3G146-HQ13-62 для вытяжек
Производитель: ebm-papst
Центробежный вентилятор представляет собой вентилятор с рабочим колесом с вперед загнутыми лопатками, посредством которого создается воздушный поток. Применяется в качестве вентиляторного узла в нагнетательных вентиляторах, воздуходувках, в системах подачи воздуха для вентиляции и охлаждения требуемых объектов, может использоваться в кухонных вытяжках.

Технические характеристики

МодельD3G146-HQ13-62
МоторM3G055-DF
Количество фазоднофазный
Направление потока воздухадвустороннее всасывание
Номинальное напряжение230В AC
Ном. диапазон напряжения200…240В AC
Частота50/60Гц
Типцентробежный
Количество полюсов3
Тип двигателяEC (электронно-коммутируемый)
ПроизводительEbmpapst
Мощность0.23 кВт
Скорость вращения2400 об/мин
Размер двигателя146 мм
Вес2.4 кг
Покрытие роторас гальваническим цинкованием
Материал корпуса блока электроникиполимер PP
Материал рабочего колесаполимер PP
Материал корпусаполимер PP
Подвеска электродвигателякрепление двигателя с двусторонней виброизоляцией
Направление вращенияслева, вид на ротор
Степень защитыдвигатель IP 54, электроника IP 20
Класс изоляцииF
Максимально допустимая темп. окружающей среды
электродвигателя (трансп./хранение)
+80 °C
Минимально допустимая темп. окружающей среды
электродвигателя (трансп./хранение)
-40 °C
Положение при монтажелюбое
Отверстия для отвода конденсатаотсутств., открытый ротор
Режим работыS1
Устройство подшипников электродвигателяшарикоподшипник
Технические характеристики– Выход 10 VDC, макс. 1,1 мА
– Выход по частоте вращения
– Ограничение тока э/двигателя
– Плавный пуск
– Управляющий вход 0-10 VDC/ШИМ
– Интерфейсный разъем системы управления с БСНН
– Защита от перегрева двигателя
Контактный ток по IEC 60990<= 3,5 mA
Электрическое подсоединениечерез клеммную коробку; со штекерным разъемом
Защита двигателяреле контроля температуры (TW) с внутренней разводкой
Вывод кабеля подключенияразл.
Класс защитыI (если защитный провод подключен стороной заказчика)
Соответствие продукта стандартамEN 60335-1; EN 60335-2-31; CE
ДопускVDE

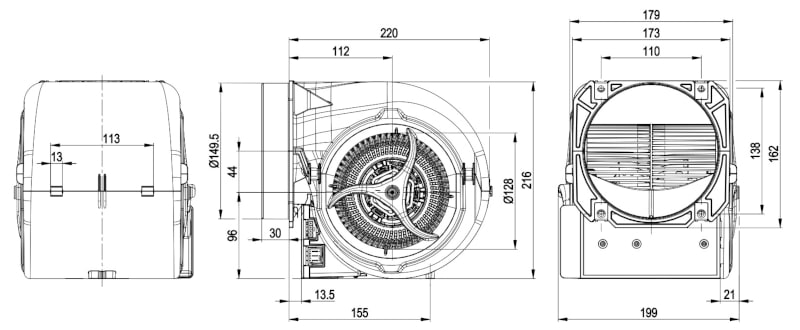
Габаритные размеры

Размеры вентилятора D3G146-HQ13-62

Аналогичные товары или товары на замену D3G146-HQ13-62

background
SF146A-E092A3-02
 
 

Сайт использует рекомендательные технологии и файлы cookie