Колеса однопоточные серии TLR типоразмеры Ø315..1000мм

Колеса однопоточные серии TLR
Производитель: Punker
В зависимости от размера колеса, давления и производительности, максимальный КПД может достигать 86%.
Применение: вентиляция, кондиционирование, нагрев, охлаждение, вытяжные вентиляторы, форсированные воздуходувки, всасывающие вентиляторы, нагнетательные вентиляторы, вентиляторы горячего воздуха, печи и т.д.
Подача воздуха для масляных, газовых и других горелок.

Маркировка и коды заказа

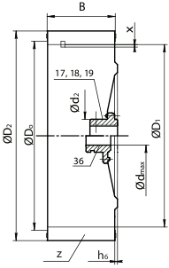
TLR400×183R  E1740  
Внутренний диаметр
Ступица
Конструкция
 E - однопоточное исполнение
Направление вращения
L - против часовой стрелки
R - по часовой стрелке
B
ØD2
Тип колеса

Общие характеристики

Диаметр 67 ÷ 1000 мм
Материал оцинкованная сталь, алюминий и т.д.
Изготовление  методом прокатки (завальцовки)
Тип однопоточные и двухпоточные

График

график характеристики вентиляторного колеса серии TLR
Характеристические кривые показывают рабочий диапазон изделия. При измерении использовались корпуса и диффузоры Пункер. Данные были получены с использованием стандартного испытательного стенда Пункера в соответствие с DIN 24163/ISO 5801 Punker GmbH & Co Kg. Мы сохраняем право на технические усовершенствования.

Номенклатура вентиляторных колес TLR, однопоточное исполнение, диаметром 315÷1000мм

ТипØD2Bh6ØD0ØD1Ød2zxcaТип стандартной ступицыØdmaxМаксимальная скорость вращения, об/минМомент инерции, кг*м2Масса, кг
315315103327025642382.536 3024250.0352.15
11521500.0372.27
12819100.0402.39
14317000.0432.54
16315150.0472.73
315315103327025665382.517 42 /•3530300.0352.28
11527300.0382.39
12824250.0402.52
14321500.0432.66
16319100.0472.85
3553551153310295.542422.536 3021500.0552.62
12819100.0592.75
14316950.0632.91
16315050.0693.12
18313450.0753.33
3553551153310295.542422.517 42 /•3526900.0552.74
12824200.0592.88
14321500.0633.04
16319100.0693.25
18316950.0753.46
400400128334532742382.536 3019100.0903.27
14316950.0963.45
16315050.1043.69
18313400.1133.93
20311950.1214.17
400400128334532742382.517 42 /•3523900.1104.07
14321500.1184.29
16319100.1284.59
18316950.1395.89
20315050.1495.19
450450143339537842422.536 3017000.1444.00
16315100.1564.26
18313350.1684.53
20311900.1804.79
22810600.1945.12
450450143339537865422.517 42 /•3521200.1774.96
16319100.1565.29
18317000.1685.61
20315100.1805.94
22813350.1946.36
500500164342640084382.518 50 /•4519100.3448.46
18417200.3698.93
20415300.3949.40
22913600.4259.99
25412000.45610.6
560560184448646384422.518 50 /•4515350.54510.3
20413650.58110.8
22912100.62511.4
25410750.66812.1
2849550.72112.9
630 630204454651184382.518 50 /•4512100.97915.9
22910751.05416.8
2549551.13017.7
284 8501.27619.6
319 7601.38420.8
710 710229462659084422.518 50 /•4510751.55419.7
2549551.66220.7
2848501.79221.8
319 7552.03024.2
359 6752.20525.8
800 800254 4690640105382.519 65 /•559552.60528.8
284 8452.78830.2
319 7503.00131.8
359 6703.24533.6
404 5953.52135.6
900 900284 4789.5740.5105422.519 65 /•558504.11234.3
319 7554.41736.0
359 6704.76638.0
404 5955.15940.3
454 5305.59542.8
1000 990319 4880830.5105482.519 65 /•557656.18640.6
359 6806.67442.9
404 6004.22245.5
454 4807.83448.4
504 4308.44551.2

- поставляется с несколькими скобами;
- с накладкой жесткости;
- со шпоночной канавкой;
• -с прямым пуском асинхронного мотора.

Размеры

однопоточное исполнение колеса с вперед загнутыми лопатками

Сайт использует рекомендательные технологии и файлы cookie