Колеса однопоточные серии TLR

Колеса однопоточные серии TLR
Производитель: Punker
В зависимости от размера колеса, давления и производительности, максимальный КПД может достигать 86%.
Применение: вентиляция, кондиционирование, нагрев, охлаждение, вытяжные вентиляторы, форсированные воздуходувки, всасывающие вентиляторы, нагнетательные вентиляторы, вентиляторы горячего воздуха, печи и т.д.
Подача воздуха для масляных, газовых и других горелок.

Общие характеристики

Диаметр 67 ÷ 1000 мм
Материал оцинкованная сталь, алюминий и т.д.
Изготовление  методом прокатки (завальцовки)
Тип однопоточные и двухпоточные

График

график характеристики вентиляторного колеса серии TLR
Характеристические кривые показывают рабочий диапазон изделия. При измерении использовались корпуса и диффузоры Пункер. Данные были получены с использованием стандартного испытательного стенда Пункера в соответствие с DIN 24163/ISO 5801 Punker GmbH & Co Kg. Мы сохраняем право на технические усовершенствования.

Номенклатура вентиляторных колес TLR, однопоточное исполнение, диаметром 67÷280мм

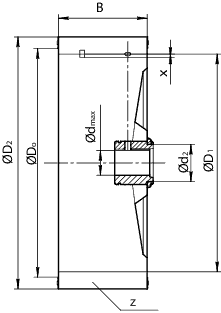
ТипØD2BØD0ØD1Ød2zxcaТип стандартной ступицыØdmaxМаксимальная скорость вращения, об/минМомент инерции, кг*м2Масса, кг
676722514910241.56114000.0340.05
27101000.0380.05
3489800.0440.06
7676226056.51028156113000.0530.06
27100500.0590.06
3489150.0680.07
4279150.0790.08
858527696713301.58101000.0860.08
3490000.0990.09
4279800.1130.10
979734827813332888500.1490.10
4278700.1700.11
5269800.1960.12
1081083490841630212.779600.2430.15
4270800.2730.16
5262800.3090.17
12012034102961633212.771600.3890.18
4263700.4390.20
5256500.4900.21
133133421151081636212.757500.5470.20
5251000.6150.22
6245200.6830.24
13313342115108253625c 1657500.5550.26
5251000.6230.28
6245200.6910.30
140140421151091633212.754500.7250.24
5248500.8090.26
6243000.8930.28
14014042115109253325c 1654500.7340.29
5248500.8180.31
6243000.9020.34
14614642123115253325c 1658800.8210.30
5252300.9130.32
6246401.0060.34
7441201.1160.37
16016042137129253625c 1659651.1220.33
5253701.2450.36
6247701.3690.38
7437601.1520.41
8533401.6130.42
18018052157149254025e 1653101.8540.43
6247802.0300.46
7442502.2410.49
8233452.3810.51
9229702.5570.53
2002006217116130 / 253825e  / 21e 16 / 2047803.7550.83
7443004.1340.87
8238204.3870.90
9233904.7030.94
10230105.0190.98
2152156218717730 / 254225e  / 21e 16 / 2044404.9950.91
7440005.4870.96
8235505.815099
9231506.2251.03
10228006.6351.07
2252257419618730 / 254225e  / 21e 16 / 2042506.2620.99
8238206.6241.02
9234007.0771.06
10230207.5281.10
11426758.0701.15
24024074206193283825e 16398010.741.10
82358011.491.17
92318012.421.24
2402407420619342 / 3038220a  / 21e 30 / 20398011.031.57
82358011.771.63
92318012.701.71
102282513.641.78
114250514.751.87
25025082215203253825e 16382012.851.20
92344013.871.28
102305514.881.36
2502508221520342 / 3038220a  / 21e 30 /20382013.141.67
92344014.151.74
102305515.171.82
114271516.391.91
127241017.712.01
2802808224423342 / 30422.520a  / 21e 30 /20341020.421.93
92307021.852.01
102273023.572.11
114242025.442.22
127215027.592.35

- стандартная ступица без шпоночной канавки;
- со шпоночной канавкой.

Размеры

Основные размеры колеса TLR, однопоточное исполнение

Маркировка и коды заказа

TLR133×52R  E412.7  
Внутренний диаметр
Ступица
Конструкция
 E - однопоточное исполнение
Направление вращения
 L - против часовой стрелки
 R - по часовой стрелке
B
ØD2
Тип колеса

Сайт использует рекомендательные технологии и файлы cookie