Колеса двупоточные серии TLR Ø315...1000мм

Колеса двупоточные серии TLR Ø315...1000мм
Производитель: Punker
В зависимости от размера колеса, давления и производительности, максимальный КПД может достигать 86%.
Применение: вентиляция, кондиционирование, нагрев, охлаждение, вытяжные вентиляторы, форсированные воздуходувки, всасывающие вентиляторы, нагнетательные вентиляторы, вентиляторы горячего воздуха, печи и т.д.
Подача воздуха для масляных, газовых и других горелок.

Маркировка и коды заказа

TLR315×292R  D1742  
Внутренний диаметр
Ступица
Конструкция
 D - двупоточное исполнение
 E - однопоточное исполнение
Направление вращения
 L - против часовой стрелки
 R - по часовой стрелке
B
ØD2
Тип колеса

Общие характеристики

Диаметр 67 ÷ 1000 мм
Материал оцинкованная сталь, алюминий и т.д.
Изготовление  методом прокатки (завальцовки)
Тип однопоточные и двупоточные

График

график характеристики вентиляторного колеса серии TLR
Характеристические кривые показывают рабочий диапазон изделия. При измерении использовались корпуса и диффузоры Пункер. Данные были получены с использованием стандартного испытательного стенда Пункера в соответствие с DIN 24163/ISO 5801 Punker GmbH & Co Kg. Мы сохраняем право на технические усовершенствования.

Номенклатура вентиляторных колес TLR, двупоточное исполнение, диаметром 315÷1000мм.

ТипØD2B'BØD0ØD1Ød2zxcaТип стандартной ступицыØdmaxМаксимальная скорость вращения, об/минМомент инерции, кг*м2Масса, кг
31531521210727025642382.536 3030300.0643.55
23611927300.0693.78
26213224250.0744.02
29214721500.0804.31
33216719100.0883.69
31531521210327025665382.517 4230300.0704.57
23611527300.0754.80
26212824250.0805.05
29214321500.0865.34
33216319100.0945.72
355355236115310295.565422.536 3026900.1004.31
26212824200.1084.59
29214321500.1174.90
33216319100.1285.33
37218316950.1405.75
355355236115310295.565422.517 4226900.1115.87
26212824200.1185.15
29214321500.1276.46
33216319100.1396.89
37218316950.1507.31
40040026212834532765382.517 4223900.2258.15
29214321500.2418.60
33216319100.2629.20
37218316950.2829.79
41220315050.30310.4
45045029214339537865422.517 4221200.3549.93
33216319100.38410.60
37218317000.41311.20
41220315100.44311.90
46222813350.48012.70
50050033416442640084382.518 5519100.68516.60
37418417200.73417.50
41420415300.78318.50
46422913600.84419.70
51425412000.90620.80
56056037618448646384422.518 5515351.09020.20
41620413651.16121.30
46622912101.24922.60
51625410751.33623.90
5762849551.44225.40
63063041620454651184382.518 5512101.95727.80
46622910752.10829.60
5162549552.26031.30
5762848502.58135.20
6463197602.79637.80
71071046622962659084422.518 5510753.10834.20
5162549553.32436.20
5762848503.58338.60
6463197554.06843.60
7263596754.41746.60
800800516254609640105382.519 659555.25246.80
5762848455.61949.50
6463197506.04652.70
7263596706.53556.30
8164045957.08660.40
900900576284789.5740.5105422.519 658508.28957.70
6463197558.89961.20
7263596709.59765.30
81640459510.38069.80
91645453011.26074.80
1000990646319880830.5105482.519 6576512.44070.40
72635968013.42075.00
81640460014.52080.20
91645448015.74085.90
101650443016.96091.60
- поставляются с несколькими скобами;
- со шпоночной канавкой.

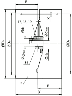
Размеры

Основные размеры колеса TLR, двупоточное исполнение

Сайт использует рекомендательные технологии и файлы cookie