Колеса двупоточные серии TLR

Колеса двупоточные серии TLR
Производитель: Punker
В зависимости от размера колеса, давления и производительности, максимальный КПД может достигать 86%.
Применение: вентиляция, кондиционирование, нагрев, охлаждение, вытяжные вентиляторы, форсированные воздуходувки, всасывающие вентиляторы, нагнетательные вентиляторы, вентиляторы горячего воздуха, печи и т.д.
Подача воздуха для масляных, газовых и других горелок.

Маркировка и коды заказа

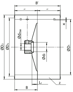
TLR67×56R  D26  
Внутренний диаметр
Ступица
Конструкция
 D - двупоточное исполнение
 E - однопоточное исполнение
Направление вращения
 L - против часовой стрелки
 R - по часовой стрелке
B
ØD2
Тип колеса

Общие характеристики

Диаметр 67 ÷ 1000 мм
Материал оцинкованная сталь, алюминий и т.д.
Изготовление  методом прокатки (завальцовки)
Тип однопоточные и двупоточные

График

график характеристики вентиляторного колеса серии TLR
Характеристические кривые показывают рабочий диапазон изделия. При измерении использовались корпуса и диффузоры Пункер. Данные были получены с использованием стандартного испытательного стенда Пункера в соответствие с DIN 24163/ISO 5801 Punker GmbH & Co Kg. Мы сохраняем право на технические усовершенствования.

Номенклатура вентиляторных колес TLR, двупоточное исполнение, диаметром 67÷280мм

ТипØD2B'BØD0ØD1Ød2L3zxcaТип стандартной ступицыØdmaxМаксимальная скорость вращения, об/минМомент инерции, кг*м2Масса, кг
67674623.45149105241.56114000.0660.08
5628.4101000.0740.09
6834.489800.0840.11
76764623.46056.510528156113000.1010.10
5628.4100500.1140.11
7035.489150.1320.13
8643.479150.1520.14
85855628.46967134.5301.58101000.1640.13
7035.490000.1890.15
8643.479800.2170.17
97977035.48278138.5332888500.2800.17
8643.478700.3210.19
10653.469800.3730.22
1081087035.4908416930212.779600.4150.22
8643.470800.4740.24
10653.462800.5460.27
1201208643.41029616933212.771600.6680.27
10653.463700.7680.30
12663.456500.8690.34
1331338643.411510816936212.757500.9220.30
10653.451001.0590.34
12663.445201.1950.37
1401408643.511510916123325c 1654501.3050.38
10653.548501.4730.43
12663.543001.6410.47
1461468643.512311525123325c 1658801.4560.45
10653.552301.6400.49
12663.546401.8240.53
15075.541202.0460.58
1601608643.513712925123625c 1659651.9820.50
10653.553702.2270.54
12663.547702.4730.59
15075.537602.7670.64
16683.533402.9640.68
18018010653.515714925134025e 1653103.2750.64
12663.547803.6270.69
15075.542504.0490.76
16683.533454.3300.80
18693.529704.6820.85
20020012663.517116130 / 25133825e  / 21e 16 / 2047806.2360.92
15075.543006.9941.10
16683.538207.5001.07
18693.533908.1311.15
206103.530108.7631.22
22522515075.519618730 / 25134225e  / 21e 16 / 20425010.571.18
16683.5382011.291.24
18693.5340012.191.33
206103.5302013.101.41
230115.5267514.181.51
25025016683.521520342 / 301738220e  / 21e 30 / 20382023.122.14
18693.5344025.152.30
206103.5305527.192.45
230115.5271529.632.63
256128.5241032.272.83
2802801869524423342 / 3017422.520e  / 21e 30 / 20341036.512.60
206105307039.382.77
230117273042.822.97
256130242046.553.19
289145215050.853.44

- стандартная ступица без шпоночной канавки;
- со шпоночной канавкой.

Размеры

Основные размеры колеса TLR, двупоточное исполнение

Сайт использует рекомендательные технологии и файлы cookie